Table of Contents
Home Security Alarm Systems: Wired and Wireless Alarm System
There are a number of different types of alarm systems. Some are hard wired alarm system, with wires running from switches to a central location where a relay is energized or de-energized to cause an alarm to be sounded. However, other type of alarm system is called wireless alarm system with less wiring. They rely on electronics for sensing and sending signals to central units.
They may be digitized, with programmed codes that disable the system temporarily to allow entry into the premises and to allow zone changes from time to time.
A Typical Hard Wired Alarm System
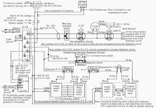
In a typical hard wired alarm system, fire and security systems are wired together. Figure in below shows the wiring diagram of a house with such a system. A detailed diagram of the wiring for the security or fire system is given in next. Notice the closed loop intruder detection circuit and how the switches work. Then examine the fire detection circuit and how it is wired into the alarm system. Except for the 120-volt line to the power supply, the rest of the wiring is low voltage.
![]() |
| A typical hard wired alarm system |
The control unit should be mounted between studs in a location with easy access from all rooms in the house. This is usually in a hallway. The control box should be mounted out of the reach of small children and not readily accessible to casual visitors.
When possible, the control unit, the smoke or heat detectors and the auxiliary power or battery charger (if used) should be connected to an individually fused 120-volt, 60-hertz power source, according to local code requirement.
![]() |
|
Wiring for a typical security or fire system
|
Parts of The Hard Wired Alarm System
Different hard wired alarm systems are available with various components in addition to the usual smoke or heat and security parts. The choice of which parts and system to use depends on
1. Purpose of the system
2. Type of building it is in
3. Location
4. Other factors
A discussion of the common parts in a typical hard wired alarm system follows.
Motion Detectors
A motion detector operates on ultrasonic frequencies. An ultrasonic frequency is above the human hearing range. The receiver transducer and transmitter are approximately the size of a quarter. Any motion within the range of the unit causes a slight change in frequency that is reflected back to the receiving unit. This difference in frequency causes a relay or a transistor circuit to energize and complete the circuit to the alarm control center. Ultrasound motion detectors are quite sensitive. They can be activated by the movements of a dog or cat or even by a hot air furnace causing curtains to move. These units need little or no maintenance if wired into a household circuit.
Heat or Smoke Detectors
Heat detectors sense heat above a certain temperature usually 136°F and activate an alarm system. Most heat detectors contain bimetallic switches that remain open below a temperature of 135°F but close above that temperature, triggering an alarm. Some are activated by higher temperatures of 200°F and the switches should be used in areas with higher than normal temperatures, such as boiler rooms and attics. With most smoke detectors, a concentration of less than 4% smoke in the air will sound the alarm. What is 4%? Examine a cigarette smoking in an ashtray.
The plume of smoke rises, coils, and spreads. It diffuses into the air. Somewhere above the cigarette is a region where the smoke is drawn out and wispy, but barely visible. That concentration is close to 4%. If that amount of smoke were concentrated in the chamber of a smoke detector, it would set off the alarm. However, under normal conditions, even a roomful of people smoking won’t trigger an alarm because smoke spreads out so that the concentration is very low. Figure shows how the detector is wired to the alarm system.
There are two types of smoke detectors. In the photoelectric smoke detector, the smoke is detected as it interrupts a small light from a bulb inside the unit. This type is best at detecting thick smoke because that kind of smoke causes the light beam to be interrupted.
This type of detector is used primarily in the home, since house fires are usually of the smoldering type with thick smoke. Less dense smoke triggers the radioactive detector. This type of detector contains a dime-sized capsule of the radioactive element americium. Smoke interrupts the beam of ions produced by the low-level radiation and thus triggers the alarm. This type is best for detecting the kind of smoke generated in business or commercial fires. It however, is more susceptible to false alarms than the photoelectric type.
For maximum protection, heat or smoke detectors should be placed in every enclosed area, including bathrooms and closets. If any single dimension of a room exceeds 20 feet, additional detectors should be installed. For unfinished attic spaces with gable roofs, detectors should be installed 10 feet from the end and 20 feet apart on the bottom of the ridgepole. Heat detectors should be installed on the ceiling but, when necessary, may be mounted on a sidewall. When installed on a smooth ceiling, each detector will protect a 20-square foot area. When installed on a wall, detectors should be at least 6 inches and no more than 12 inches below the ceiling and at least 12 inches from any corner.
![]() |
| Heat Sensor – Home security system |
Intruder Detectors
A motion detector functions as an intruder detector, but other intruder detecting systems are also available. A typical intruder detection circuit is a closed loop system, meaning that the entry detection switches are connected in a series. When a protected door or window is opened, the circuit between the two terminals of the control unit is broken and the intruder alarm is activated. Several types of switches are available.
Plunger-type switches can be used in wooden door frames or window sashes. The exact positioning of the switch depends on the type and design of the door or window. If possible, the switch should be installed in the frame on the hinge side of a door, and on double-hung windows, both top and bottom sections should be protected.
Remember, the mounting area must be large enough to accommodate the flange of the switch. Magnetic operated reed switch assemblies are available for horizontal or vertical surface mounting on wood or metal door frames or window sashes. Install the magnetic section on the door or window and the switch on the frame or sash. Use caution when installing reed switches because they are easily damaged if dropped, use shims if necessary to install them, and be sure they are parallel and flush.
An inside shunt switch is used to bypass switches used in doors and windows. This type of switch is surface mounted and connected to bypass the entry detector switch. Exit/entry control units include inside and outside switch plate assemblies to be installed on 21/2-inch-deep single-gang wall boxes, above the reach of small children. The indicator lights will burn at a somewhat lower level when operating on the 12-volt DC power supply activated by failure of the 120-volt supply.
![]() |
| Wiring Diagram – Home Security System |
New models rely on a light-emitting diode (LED) for low power consumption. Figure shows the location of inside-outside switches. The wiring diagram shows that changing the position of either S1 or S2 bypasses the entry detector switch and turns the indicator lights off so that the door can be opened without activating the alarm. The system can then be rearmed by changing the position of S1 or S2.
Pushbuttons for Emergencies
A manually operated push button for emergency operation of the fire detection circuit should be installed near the outside (including basement) doors on the knob side at a height convenient for adults but out of the reach of small children. Such pushbuttons may also be installed in bedrooms or other areas where emergency operation of the alarm is desired.
Warning Devices – Home Security Alarm System
An alarm bell is a warning device. Surface-mounted units should be installed in a central area for greatest coverage throughout the house. The intercom can be connected so that the alarm is broadcast throughout the house when the speakers are on. Wiring to an outside bell should be hidden if possible. Wiring that is exposed should be run in a conduit, or a waterproof cable should be used. In the system illustrated, the alarm circuit to energize the bell is approximately 15-volts DC, with normal 120-volts AC supplied to the control unit.
When there is no 120-volt supply, the emergency unit (e.g., an auxiliary power or battery charger) is in operation. This voltage will be about 11 volts from the battery. Therefore, any warning device, such as a bell, has to be able to operate on a 10- to 16-volt range.
Auxiliary Power/Battery Charger
A complete security alarm system should have an auxiliary power source or battery charger so that the system can operate in situations where the normal 120-volt power supply is cut off.
![]() |
| A typical alarm bell |
A Typical Wireless Security Alarm System
A number of wireless security alarm systems are available. Most have standard parts that can be programmed to operate in a number of different configurations. The installation instructions that come with the system indicate how the system is to be wired.
Parts of The Wireless Security Alarm System
Atypical microcomputer-based system has about eight fully programmable zones, plus keypad and fire, police, and medical emergency functions. Each installation may be custom-designed to meet specific requirements. These alarm systems are nonvolatile electrically erasable read-only memory (EEROM) chips to store all data.
This memory is retained even during complete power failures. All programming is accomplished by entering data through remote digital keypads. These keypads are available in different styles, providing flexibility in system design. Some include a speaker that may be used as an indoor siren and/or an intercom station.
The control panel houses the electronics for controlling the burglary or fire system and the digital communicator. The communicator itself is also keypad-programmable and may be programmed for most transmission formats. The control panel also contains a 12-volt DC, 1.5-ampere power supply that will provide 900 milliamperes of power for auxiliary devices.
Entry Delay Lines
Each zone in the system may be programmed for two entry times (from 000 to 225 seconds duration). After a time is programmed into each delay time’s memory location, each separate zone may then be programmed for entry delay time #1 or #2. For example, a long delay time (#1) might be used for a garage door to allow sufficient time for car entry or exit, whereas a shorter delay time (#2) would be programmed for front door entry.
Loop Response Time
The system may also be programmed for fast or slow loop response times, or how long it takes for the switch on or off condition to be acted upon by the control unit. These range from 40 milliseconds to 10 seconds in 40 millisecond increments. After the fast and slow loop response times are programmed, each separate zone may then be programmed for slow or fast loop response time.
Key switch Zones
If the application calls for arm/disarm control from a keyswitch, the system may be programmed for a key-switch zone (a zone operated by using a key to turn a switch). Through keypad programming, the installer assigns one zone as a key-switch zone. This then can be controlled by a momentary normally open or a momentary normally closed key-switch. In some cases, a key operated switch is desired for the garage door or a gate.
![]() |
| Remote Digital Keypad |
Bypassing Zones
Zones may be individually bypassed (shunted) with a two-keystroke operation at the remote control keypad. All manually bypassed zones are cleared when the system is disarmed. They must then be bypassed again before the system is armed. Zones cannot be bypassed once the system is armed. For special applications, fire zones may be programmed to be shuntable. The digital communicator can also be programmed to send a bypassed zone arming report to the central station.
Fire Zones and Day Zones
Both fire zones and day zones sound an audible pre-alarm for a trouble condition. The user can easily silence a fire pre-alarm at the keypad by pressing the CLEAR key, while an LED will remain blinking to remind the user that a trouble condition exists.
Alarm Outputs
A number of alarm outputs may be wired to operate two on-board auxiliary relays. The burglar alarm output can be programmed to be steady or pulsing. The auxiliary relay outputs can be connected to a self-contained siren, a two-tone siren driver, or an eight-tone siren driver.
Alarm outputs can be programmed to provide a 1 second siren or bell test upon arming the system. To extend the system’s capability, the alarm outputs can be wired directly to a siren driver with “trigger inputs” (such as the eight-tone driver), freeing the onboard auxiliary relays for other tasks.
A typical electronic system can also be programmed for silent or audible alarms. There are separate outputs for burglary, fire, police, and medical. Each can be individually programmed for a cut-off time of 0.001 to 255 minutes or for continuous operation. A lamp output terminal is activated for 2 minutes each time a key is pressed during entry and exit delay and during any alarm condition. It can be used as light control for a hall light or other applications.
Arm/Disarm Codes
Most systems have arm/disarm codes and a master programming code that can be changed by the user. The codes can be one to five digits long and digits may be repeated. Each of the arm/disarm codes in the system illustrated can be programmed to be
1. An arm/disarm code only.
2. An access code only.(The system includes an access control feature that can be used for an electric door release or oilier device. The access control output is timed. It is programmable for 1 to 254 seconds in duration)
3. An arm/disarm code if “1” is entered first; an access code if “0” is entered first.
4. Arm/disarm and access simultaneously.
5. Same as (4), plus just “0” and code allows access.
6. A duress code.
The fourth code (4 listed earlier) can be programmed to function for a predetermined number of times (1 to 254). This code may be used to allow entry by housekeeping and service personnel, and the like. After the code is used the allowed number of times it will no longer work.
Most security alarm systems also include a programmable short-arming feature that allows one- or two-digit arming. If the first digit of an arm/disarm code is “0” then one-button arming is possible just enter “1.” This feature also allows all other command keys to function simply by pressing the desired command key. However, the full code must be entered to disarm the system.
Burglary Alarms
A burglary causes an audible pre-alarm. An alarm causes the ARMED LED to flash. Entering the arm/disarm code silences the audible pre-alarm, but the flashing LED remains on. Pressing the CLEAR button resets the flashing LED. During an alarm, entry of an arm/disarm code will abort the digital communicator unless the code is a distress code. A fire or medical alarm can be silenced by pressing the CLEAR key.
Fire Alarms
Fire alarms can be silenced by entering an arm/disarm code by pressing the CLEAR key. The fire zone LED remains on for an alarm or remains blinking for a trouble condition. If a trouble condition clears itself, the FIRE LED automatically resets. The FIRE alarm LED can be cleared by entering the arm/disarm code.
When a fire alarm is silenced by pressing the CLEAR key, this does not reset the smoke detectors. After the smoke detector that caused the alarm has been identified (by viewing the alarm memory LEDs on the smoke detectors), pressing the SMOKE RESET key and the arm/disarm code interrupts power to the smoke detectors for 5 seconds, resetting them. SMOKE RESET also performs a battery test. It removes AC power from the control panel and dynamically tests the battery. If the battery fails the test, the POWER LED will flash. A low-battery condition will be reported to the central station. The flashing POWER LED can be reset only by a subsequent test that recognizes a good battery.
Installing The Wireless Security Alarm System
The panel box of a typical wireless alarm system is easily mounted and contains the terminal strips required to complete all of the pre-wiring and terminal wiring connections. The terminal strips themselves are marked for identification. All input connections are made on one terminal strip. All output connections are made on the other. This arrangement allows the installer to complete the pre-wiring, make the terminal connections, and then safely lock the box.
The main circuit board is a separate module. It is mounted with four hex screws. The board is mounted to the terminal strips and is simply plugged in with one connector. This arrangement allows for pre-wiring and protects the electronics from damage during wiring.
Once the installation and wiring are complete, power is supplied by a flip of the power switch. This eliminates the need to disconnect the power wiring during installation or service. When the system is powered up, the installer may program the system directly from digital remote control keypads. Programming worksheets (complete with zone identification, programming memory locations, and factory program values) are provided to aid the installer in programming. A detailed programming manual is also provided.
After the programming is complete, the installation can be checked out from the keypad. The installer simply uses the system status LEDs, the zone status command key, and the detector check key to verify the system installation. Then all user operations can be performed to verify the correctness of the program.
Troubleshooting The Wireless Alarm System
In a typical eight-zone system, the alarm memory function automatically reduces troubleshooting by one-eighth. Simply pressing the alarm memory command key reveals the zones last alarmed. Then, within that zone, the detector check command key may be used to troubleshoot specific detectors. For example, a typical system may contain 45 contacts, and the keypad can be used to troubleshoot the entire installation. With a conventional one-zone system, it would be necessary to troubleshoot most of the 45 contacts by trial and error.
Personal Security Alarm System
There are a number of personal alarm systems today. Personal safety is of primary concern to everyone. At the top of the security equipment list, whether it be personal security, home security, or industrial security, alarm systems are, in fact, everybody’s concern. Some of the alarm systems can be carried with you or installed easily on doors, windows, and sliding doors as well. Solid, state of the art designs make these alarm systems the most popular choice among effective security products.
Personal alarms are attractive, compact, and easy to carry. You can travel with these alarms on your belt or in your purse and use the accessories provided to turn them into portable door or window alarms. This is where the need for an electrician becomes necessary. Once the alarm has been installed as a permanent device located in a fixed position, there is usually the need for electrical power and proper set up to make it work properly.
For instance, infrared motion alarms use passive infrared technology to produce an invisible barrier that cannot be penetrated without setting off the alarm. It is usually battery-operated and requires no wiring, no matter how many times you change its location. This variety of alarm system functions by detecting motion in any selected area. The electrician is called to do the job of installing it in a permanent home. The wiring and the testing for proper operation is the job of the electrician.
Magnetic door or window alarms are meant for use on any kind of door or window, even the sliding doors. Activated by opening the door or window, this alarm uses magnetic affinity to let off a loud siren. These are usually installed while the house is being built. In some cases, they have to be installed after the house is already framed and enclosed. This calls for some skill on the part of the person doing the installation.
Window glass breakage alarms are another important alarm system. This alarm has a very loud siren that is activated by the vibrations caused when someone breaks the glass. You can install it yourself on any window or have it permanently installed by an electrician.
The electronic barking dog alarms are used by utilizing microwave technology to “see” through walls. Like some police radar systems, it can sense if someone is approaching. When the person comes within a range of 20 feet, the alarm is activated and starts barking. It sounds as if a German shepherd is in the house.
Alarms in Hazardous Locations
In the installation of alarms, it is necessary to follow the guidelines offered by the NEC’s latest edition. The National Electrical Code includes ‘the alarm system’ in a hazardous location under Article 501-14. Nearly all signaling, remote-control, and communication equipment involves make or break contacts: hence in Division 1 locations all devices must be explosion-proof, and the wiring must comply with the requirements for light and power wiring in such locations, including seals. The Red Book lists signal devices that include fire alarms and fire detectors.
Read More:
Final Word
Hope you understand this article about the Types and uses of Home Security System | Wired and Wireless Alarm System. Incase of any doubt please comment below. Subscribe our website to get every new post update to your email. Please follow our website @ElectricianWorld.Net for future updates. Thank you for visiting our website.






