Electrical Troubleshooting tests the electrician’s ability to observe and understand how things work. Electrical problems are many; every connection and every device is a potential problem. One of the best ways to prevent trouble is to check certain items as a routine procedure to catch trouble before it becomes serious and causes fires, other damage, or even death.
Table of Contents
Electrical Troubleshooting for General Electrical Problems
This post presents some general troubleshooting techniques, concentrating on common problems and causes of troubles, and then focuses on troubleshooting electric motors. Remember, though, that troubleshooting hints apply only to common problems and their probable causes and remedies. They cannot give specific solutions, since on the scene facts may alter a situation. It takes a trained observer to ferret out the facts in a specific situation and make a diagnosis. Once a problem is identified, it is easily corrected.
General Electrical Troubleshooting
Several problems occur frequently in electrical work. Among them are:
1. Handling wet and damp areas
2. Removing a ground
3. Preventing accidental shock
4. Checking wiring installations
Handling Damp Areas
One factor that can cause problems in any wiring system is dampness. Watertight equipment should be installed wherever there is a danger of water contacting live wires. Three things that can cause trouble are:
- condensation
- rust
- corrosion
Condensation
One major problem is the condensation of moisture inside panel boards. Moisture condenses when warm moist air in the basement moves up and contacts cold air outside, thus making the riser cold. In areas where this is a problem, an underground entrance should be made, or an outside riser should be mounted alongside the house, making its entry only when it reaches the panel board.
An entrance as low as possible is preferred so that any moisture that does condense will easily drain out at the bottom of the panel board without contacting the hot side of the distribution panel. This problem can occur in farm buildings that house livestock because the animals generate a lot of humidity.
![]() |
| Condensation Inside a Panel – Electrical Problems |
Rust and Corrosion
Another problem with electrical installations can be the presence of rust and corrosion. Each can be a source of trouble.
Rust
Rust is another problem. There is the possibility of rust with exposed steel surfaces and water. Rust can cause problems with the ground system. Paint helps prevent rust. Touch up scratched surfaces frequently.
![]() |
| An underground entrance prevents condensation |
Corrosion
Corrosion can be a problem when dissimilar metals make contact with moisture. Use galvanized panels or conduit and in some cases use plastic boxes, panels, and conduit. Some metals may also be coated with an anti-corrosion agent. Check (National Electrical Code) NEC regulations for safe applications to prevent corrosion.
Handling Grounds and Preventing Accidental Shock
Removing a ground produces a potentially hazardous situation. In a properly installed 120/240-volt system, the current on the neutral line carries the difference between the current flowing on the hot lines. If rust or corrosion prevents contact with the proper grounding lugs, the ground becomes open in effect, it is removed.
One of the indications of this open-ground situation in a house is that some of the lights in the house will appear very bright and others very dim. If this occurs, turn off the main switch and locate the open or corroded ground connection before doing anything else. A situation like this is dangerous for anyone who touches any of the conductors. That person or animal then completes the ground circuit and a fatal shock may occur.
Ground Fault Interrupter – Electrical Troubleshooting
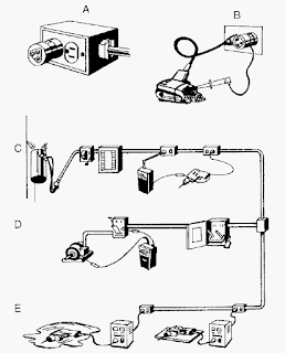
The ground fault circuit interrupter (GFCI) is one device used to prevent accidental shock. However, the use of a GFCI should never be a substitute for good grounding practices. Rather, it should test for and support a well maintained grounding system. Several types of GFCI devices are used to check grounding systems and thus prevent accidental shock. Figure shows some of these devices. A, B, C, D, and E indicate the various devices. Some plug-in testers check polarity and grounding (A). Some check the continuity of a ground path (B). This is very important with many tools, especially those with metal handles.
![]() |
| Removing a Ground – Electrical Problems Troubleshooting |
Another type is a ground loop tester (C). It measures the ground loop impedance of live circuits. Others check the 500-volt and 1000-volt direct current (DC) installation resistance of de-energized circuits and electrical equipment(D). It also checks the continuity in low-resistance circuits. Still others provide insurance against a tool developing a fault while being used (E), possibly causing serious personal injury by ensuring that any current leaking is below a hazard level.
One problem associated with ground fault circuit interrupters is nuisance tripping. Keep in mind that even a few drops of moisture or flecks of dust can trip the GFCI. One way to avoid this problem is to use watertight plugs and connectors on extension cords.
Important Note:
The 2005 NEC(National Electrical Code) has added requirements for GFCI protection.
![]() |
| These devices check the grounding |
Ground Fault Receptacles – Electrical Troubleshooting
A ground fault receptacle (GFR) is a ground fault circuit interrupter with a receptacle. A GFR may be wired to protect its own outlet terminal installation or it may be wired to protect its outlet and other downstream receptacles. A typical wiring diagram for terminal installation. One way to check for terminal installation is to check the red and gray wires. If they are capped with a wire nut, then you know that the GFR does not service any other outlets.
![]() |
|
|
When a GFR that protects more than one outlet is tripped, it takes all of the outlets it services off the line. This can lead to some problems. For example, a GFR located in an upstairs bathroom may also protect an outside outlet and a downstairs bathroom outlet. If someone tries to use the outside outlet and it doesn’t work, he or she may not relate this malfunction to the GFR in the upstairs bathroom and may call the electrician unnecessarily. All that needs to be done in such a situation is to push the test (T) button on the GFR upstairs and then the reset (R) button to make sure the fault does not still exist; this puts the outlets back on line. Figure shows typical wiring for a GFR that protects more than one outlet.
Final Word
Hope you understand this article about the Types and uses of Electrical Troubleshooting For 4 General Electrical Problems. Incase of any doubt please comment below. Subscribe our website to get every new post update to your email. Please follow our website @Electrical2z for future updates. Thank you for visiting our website.





